
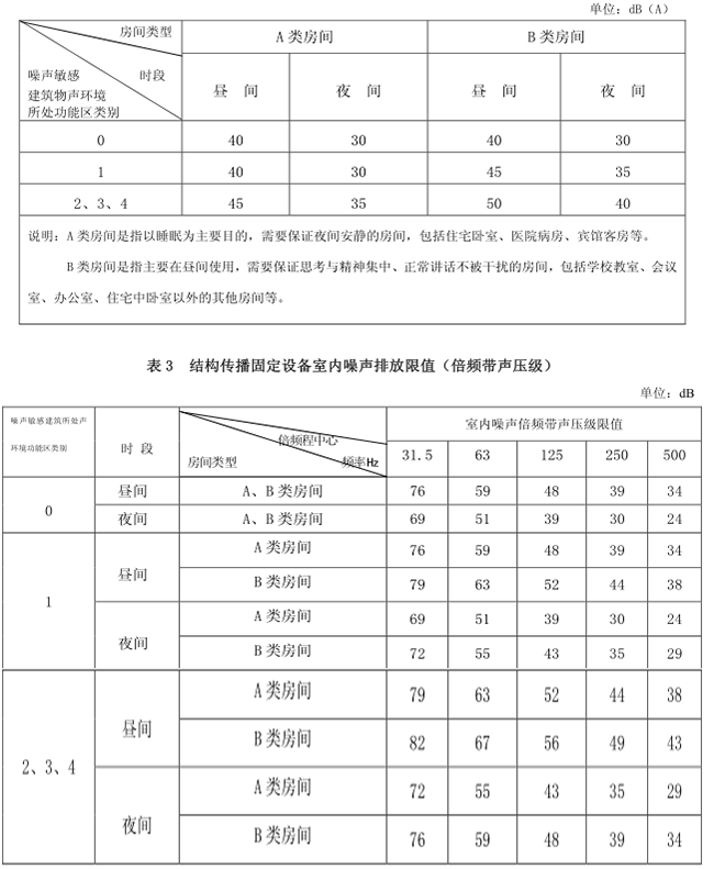
4.1.2 在社會生活噪聲排放源邊界處無法進行噪聲測量或測量的結果不能如實反映其對噪聲敏感建筑物的影響程度的情況下,噪聲測量應在可能受影響的敏感建筑物窗外 1m 處進行。4.1.3 當社會生活噪聲排放源邊界與噪聲敏感建筑物距離小于 1m 時,應在噪聲敏感建筑物的室內測量,并將表 1 中相應的限值減 10dB(A)作為評價依據。4.2 結構傳播固定設備室內噪聲排放限值4.2.1 在社會生活噪聲排放源位于噪聲敏感建筑物內情況下,噪聲通過建筑物結構傳播至噪聲敏感建筑物室內時,噪聲敏感建筑物室內等效聲級不得超過表 2 和表 3 規定的限值。表2 結構傳播固定設備室內噪聲排放限值(等效聲級)
4.2.2 對于在噪聲測量期間發生非穩態噪聲(如電梯噪聲等)的情況,最大聲級超過限值的幅度不得高于 10 dB(A)。
5. 測量方法 5.1 測量儀器5.1.1 測量儀器為積分平均聲級計或環境噪聲自動監測儀,其性能應不低于 GB3785 和 GB/T17181 對 2型儀器的要求。測量 35 dB 以下的噪聲應使用 1 型聲級計,且測量范圍應滿足所測量噪聲的需要。校準所用儀器應符合 GB/T 15173 對 1 級或 2 級聲校準器的要求。當需要進行噪聲的頻譜分析時,儀器性能應符合 GB/T3241 中對濾波器的要求。5.1.2 測量儀器和校準儀器應定期檢定合格,并在有效使用期限內使用;每次測量前、后必須在測量現場進行聲學校準,其前、后校準示值偏差不得大于 0.5 dB,否則測量結果無效。5.1.3 測量時傳聲器加防風罩。5.1.4 測量儀器時間計權特性設為“F”檔,采樣時間間隔不大于 1s。5.2 測量條件5.2.1 氣象條件:測量應在無雨雪、無雷電天氣,風速為 5m/s 以下時進行。不得不在特殊氣象條件下測量時,應采取必要措施保證測量準確性,同時注明當時所采取的措施及氣象情況。5.2.2 測量工況:測量應在被測聲源正常工作時間進行,同時注明當時的工況。5.3 測點位置5.3.1 測點布設根據社會生活噪聲排放源、周圍噪聲敏感建筑物的布局以及毗鄰的區域類別,在社會生活噪聲排放源邊界布設多個測點,其中包括距噪聲敏感建筑物較近以及受被測聲源影響大的位置。5.3.2 測點位置一般規定一般情況下,測點選在社會生活噪聲排放源邊界外 1m、高度 1.2m 以上、距任一反射面距離不小于1m 的位置。5.3.3 測點位置其他規定5.3.3.1 當邊界有圍墻且周圍有受影響的噪聲敏感建筑物時,測點應選在邊界外 1m、高于圍墻 0.5m 以上的位置。5.3.3.2 當邊界無法測量到聲源的實際排放狀況時(如聲源位于高空、邊界設有聲屏障等),應按 5.3.2設置測點,同時在受影響的噪聲敏感建筑物戶外 1m 處另設測點。5.3.3.3 室內噪聲測量時,室內測量點位設在距任一反射面至少 0.5m 以上、距地面 1.2 m 高度處,在受噪聲影響方向的窗戶開啟狀態下測量。5.3.3.4 社會生活噪聲排放源的固定設備結構傳聲至噪聲敏感建筑物室內,在噪聲敏感建筑物室內測量時,測點應距任一反射面至少 0.5m 以上、距地面 1.2 m、距外窗 1 m 以上,窗戶關閉狀態下測量。被測房間內的其他可能干擾測量的聲源(如電視機、空調機、排氣扇以及鎮流器較響的日光燈、運轉時出聲的時鐘等)應關閉。5.4 測量時段5.4.1 分別在晝間、夜間兩個時段測量。夜間有頻發、偶發噪聲影響時同時測量最大聲級。5.4.2 被測聲源是穩態噪聲,采用 1min 的等效聲級。5.4.3 被測聲源是非穩態噪聲,測量被測聲源有代表性時段的等效聲級,必要時測量被測聲源整個正常工作時段的等效聲級。5.5 背景噪聲測量5.5.1 測量環境:不受被測聲源影響且其他聲環境與測量被測聲源時保持一致。5.5.2 測量時段:與被測聲源測量的時間長度相同。5.6 測量記錄噪聲測量時需做測量記錄。記錄內容應主要包括:被測量單位名稱、地址、邊界所處聲環境功能區類別、測量時氣象條件、測量儀器、校準儀器、測點位置、測量時間、測量時段、儀器校準值(測前、測后)、主要聲源、測量工況、示意圖(邊界、聲源、噪聲敏感建筑物、測點等位置)、噪聲測量值、背景值、測量人員、校對人、審核人等相關信息。5.7 測量結果修正5.7.1 噪聲測量值與背景噪聲值相差大于 10dB (A) 時,噪聲測量值不做修正。5.7.2 噪聲測量值與背景噪聲值相差在 3dB (A) ~10dB (A) 之間時,噪聲測量值與背景噪聲值的差值取整后,按表 4 進行修正。5.7.3 噪聲測量值與背景噪聲值相差小于3dB (A) 時,應采取措施降低背景噪聲后,視情況按5.7.1或5.7.2執行;仍無法滿足前二款要求的,應按環境噪聲監測技術規范的有關規定執行。
《社會生活環境噪聲排放標準》(GB 12348-2008)閱讀下載
文章來源: 社會生活環境噪聲排放標準(社會生活環境噪聲測量時長) http://www.jmjdwx.com.cn/faq/1555.html